 |
|
|
 |
 |
地址:启东市城北工业园区跃龙路10号
电话:0513-83630690
传真:0513-83630690
手机:13906284160
网址:www.art-tool.com
E-mail:jsqdrd@126.com
 |
|
| | |
|
|
| |
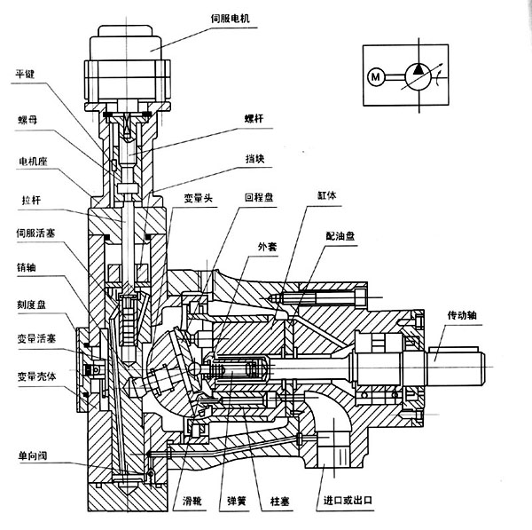
DCY型轴向柱塞泵
|
| 轴向柱塞泵结构图 |
|
| 特性曲线 |
|
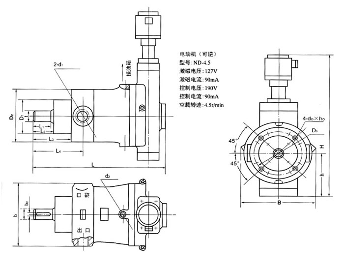
| 外形尺寸 |
|
| 推荐使用管道尺寸(d外×d内) |
型号 |
进口 |
出口 |
10DCY14-1B |
22×16 |
18×13 |
25DCY14-1B |
34×24 |
28×20 |
63DCY14-1B |
42×30 |
34×24 |
|
| |
|
B |
b |
b0 |
t |
D1 |
D2 |
D0 |
d |
d1 |
d2 |
d0×h0 |
L |
L1 |
L2 |
L3 |
L4 |
h |
H |
10 |
DCY14-1B |
175 |
142 |
8 |
28 |
75f9 |
125 |
100 |
25h6 |
M22×1.5 |
M14×1.5 |
M10×25 |
299 |
40 |
41 |
86 |
109 |
103 |
326 |
25 |
195 |
172 |
8 |
32.5 |
100f9 |
150 |
125 |
30h6 |
M33×2 |
M14×1.5 |
M10×25 |
363 |
52 |
54 |
104 |
134 |
141 |
384 |
63 |
259 |
200 |
12 |
42.8 |
120f9 |
190 |
155 |
40h6 |
M42×2 |
M18×1.5 |
M12×25 |
441 |
60 |
62 |
122 |
157 |
157 |
450 |
|
| |
|
| |