 |
|
|
 |
 |
地址:启东市城北工业园区跃龙路10号
电话:0513-83630690
传真:0513-83630690
手机:13906284160
网址:www.art-tool.com
E-mail:jsqdrd@126.com
 |
|
| | |
|
|
| |
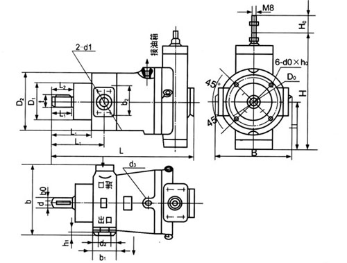
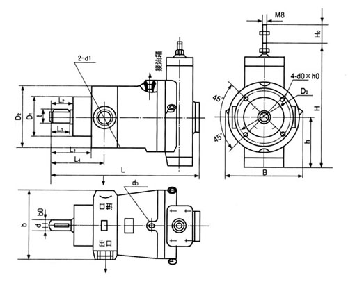
CCY型轴向柱塞泵
|
| 轴向柱塞泵结构图 |
|
| 特性曲线 |
|
| 10、25、(32)40、63(80)CCY14-1B(括号内为CGY) |
|
D的公差f9d的公差h6
泵的型号 |
进口 |
出口 |
10CCY14-1B |
22×16 |
22×16 |
25(32)CCY14-1B |
34×24 |
34×24 |
40CCY14-1B |
42×30 |
42×30 |
63CCY14-1B |
50×38 |
50×38 |
|
| 160、250、(400)CCY14-1B |
|
推荐使用管道尺寸(d外×d内)
泵的型号 |
进口 |
出口 |
160CCY14-1B |
63×46 |
63×46 |
250CCY14-1B |
75×55 |
75×55 |
400CCY14-1B |
90×66 |
90×66 |
|
| |
|
|
B |
b |
b0 |
b1 |
b2 |
D0 |
D1 |
D2 |
d |
d1 |
d2 |
d3 |
H |
h |
h1 |
L |
I1 |
I2 |
I3 |
I4 |
t |
d0×h0 |
H0 |
10 |
|
172 |
142 |
8 |
|
|
100 |
75 |
125 |
25 |
M22×1.5 |
|
M14×1.5 |
227 |
92 |
|
295 |
40 |
41 |
86 |
109 |
28 |
M10×25 |
23.4 |
25
(32) |
|
198 |
172 |
8 |
|
|
125 |
100 |
150 |
30 |
M33×2 |
|
M14×1.5 |
295 |
125 |
|
362 |
52 |
54 |
104 |
134 |
32.5 |
M10×25 |
34.6 |
40 |
CCY14-1B |
198 |
172 |
10 |
|
|
135 |
100 |
150 |
32 |
M39×2 |
|
M18×1.5 |
295 |
125 |
|
362 |
52 |
54 |
104 |
134 |
35 |
M10×25 |
34.6 |
63
(80) |
|
258 |
200 |
12 |
|
|
155 |
120 |
190 |
40 |
M42×2 |
|
M18×1.5 |
337 |
140 |
|
440 |
60 |
62 |
122 |
157 |
42.8 |
M12×25 |
41.4 |
160 |
|
322 |
340 |
16 |
90 |
160 |
198 |
150 |
240 |
55 |
50 |
64 |
M22×1.5 |
391 |
172 |
25 |
595 |
106 |
110 |
180 |
230 |
59.5 |
M16×35 |
42.8 |
250 |
CCY14-1B |
385 |
420 |
18 |
110 |
180 |
230 |
180 |
280 |
60 |
55 |
76 |
M22×1.5 |
458 |
210 |
25 |
691 |
110 |
112 |
212 |
272 |
63.9 |
M20×45 |
55.6 |
400 |
|
385 |
420 |
18 |
110 |
180 |
230 |
180 |
280 |
60 |
65 |
76 |
M22×1.5 |
458 |
210 |
25 |
701 |
110 |
112 |
212 |
277 |
63.9 |
M20×45 |
55.6 |
|
| |
|
| |