| |
YCY型轴向柱塞泵
|
结构原理简述
该种变量形式的轴向柱塞泵是靠泵本身压力自动控制,如上图高压油流通过通道(a)、(b)、(c),进入变量壳体(302)的下腔(d),由此经过通道(e)
分别进入通道(f)和(h),当弹簧的作用力大于由通道(f)进入伺服活塞(309)下端环形面积的液压推力时,则油液经(h)进入上腔(g),推动变量活塞(301)向下移动,使泵的流量增加。
反之,当泵的压力克服弹簧力使伺服活塞向上动时,堵塞通道(h),使(g)腔油通过(i)而卸压,此时变量活塞上移,泵的流量减小。
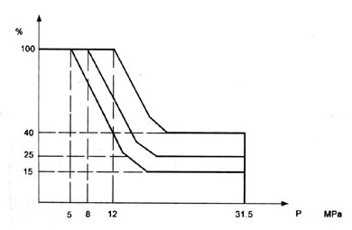
下图表示YCY14-1B泵的变量特性曲线,其阴影表示特性调节范围。AB的斜率是由外弹簧(307)刚度决定的,BC的斜率是由外弹簧(307)和内弹簧(306)的合成刚度决定的,CD的长短取决于限位螺钉的位置(限制变量头的倾斜角)。
调节变量特性时,如需按A1B1C1D1规律变化,可先将限位螺钉拧至上端,然后调节弹簧套(305)使其流量刚发生变化时的压力与A1点的压力相符,再调节限位螺钉,使流量不再变化时的高压流量与D1点的流量相符,其中间压力与流量的变化关系是预先设计好的,不需要调整,只要A1和D1两点的流量、压力调好了,该泵就自动地按A1B1C1特性曲线变化。
这种变量型式的特性曲线是近似地按恒功率变化。上述特性的转换点A1和D1的参数可按以下方法计算:
例如:已知某一机器的工艺特性要求泵的最大压力为Pmax,在Pmax时D1点的流量为Q1,泵在低压时的流量为Qmax,则泵在A1点的压力为:
其中:ηP1—泵在P1的总效率
ηPmax—泵在Pmax的总效率
在本系列泵中,可取ηP1/ηPmax≈1
原动机的功率选择可以按下式:
NH=Pmax·Q1/60η
其中η可取0.8-0.9(当Q1较小时取较小值,较大时取较大值。) |
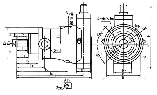
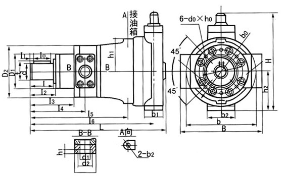
| 结构图 |
|
| 特性曲线 |
|
| 10.25(32)40.63(80)YCY14-1B(括号内为YGY) |
|
| 160.250.(400)YCY14-1B |
|
推荐管道尺寸(不可逆泵用) |
型号 |
进口 |
出口 |
回油口 |
10YCY14-1B |
22×16 |
18×13 |
10×8 |
25(32)YCY14-1B |
34×24 |
28×20 |
10×8 |
40YCY14-1B |
42×30 |
34×24 |
12×10 |
63(80)YCY14-1B |
50×38 |
42×30 |
12×10 |
160YCY14-1B |
63×46 |
50×38 |
18×15 |
250YCY14-1B |
75×55 |
63×46 |
18×15 |
400YGY14-1B |
90×66 |
75×55 |
22×18 |
|
| |
型号 |
B |
b |
b0
(N9) |
b1 |
b2 |
b3 |
D0 |
D1
(f9) |
D2 |
D3 |
d
(h6) |
d1 |
d2 |
d3 |
10YCY14-1B |
172 |
142 |
8 |
50 |
88 |
|
100 |
75 |
125 |
150 |
25 |
M22×1.5 |
|
M14×1.5 |
25(32)YCY14-1B |
198 |
172 |
8 |
66 |
100 |
|
125 |
100 |
150 |
170 |
30 |
M33×2 |
|
M14×1.5 |
40YCY14-1B |
210 |
180 |
10 |
66 |
100 |
|
135 |
100 |
164 |
182 |
32 |
M39×2 |
|
M18×1.5 |
63(80)YCY14-1B |
258 |
200 |
12 |
74 |
104 |
|
155 |
120 |
190 |
225 |
40 |
M42×2 |
|
M18×1.5 |
160YCY14-1B |
329 |
340 |
16 |
100 |
120 |
90 |
198 |
150 |
240 |
300 |
55 |
50 |
64 |
M22×1.5 |
250(400)YCY14-1B |
385 |
420 |
18 |
100 |
140 |
110 |
230 |
180 |
280 |
360 |
60 |
55 |
76 |
M22×1.5 |
|
| |
型号 |
H |
h1 |
h2 |
h3 |
L |
I |
I0 |
I1 |
I2 |
I3 |
I4 |
I5 |
I6 |
t |
d0×h0 |
10YCY14-1B |
288 |
71 |
100 |
|
295 |
40 |
30 |
4 |
41 |
86 |
109 |
194 |
258 |
28 |
M10×25深 |
25.32YCY14-1B |
351 |
83 |
120 |
|
362 |
52 |
45 |
4 |
54 |
104 |
134 |
246 |
317 |
32.5 |
M10×25深 |
40YCY14-1B |
373 |
87 |
120 |
|
362 |
49 |
45 |
4 |
54 |
104 |
136 |
236 |
317 |
35 |
M10×25深 |
63YCY14-1B |
400 |
108 |
140 |
|
440 |
60 |
50 |
4 |
62 |
122 |
157 |
300 |
389 |
42.8 |
M12×25深 |
160YCY14-1B |
448 |
141 |
173 |
25 |
595 |
106 |
100 |
4 |
110 |
180 |
230 |
411 |
533 |
59 |
M16×35深 |
250(400)YCY14-1B |
576 |
170 |
210 |
25 |
691 |
110 |
100 |
5 |
112 |
212 |
272 |
492 |
629 |
63.9 |
M20×45深 |
|
| |