 |
|
|
 |
 |
地址:启东市城北工业园区跃龙路10号
电话:0513-83630690
传真:0513-83630690
手机:13906284160
网址:www.art-tool.com
E-mail:jsqdrd@126.com
 |
|
| | |
|
|
| |
MYCY型轴向柱塞泵
|
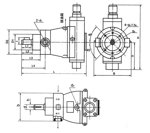
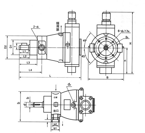
| 轴向柱塞泵结构图 |
|
| 特性曲线 |
|
| 10、25、32、(40)63(80)MYCY14-1B |
|
泵的型号 |
进口 |
出口 |
10MYCY14-1B |
22×16 |
18×13 |
25.30MYCY14-1B |
34×24 |
28×20 |
40MYCY14-1B |
42×30 |
34×24 |
63MYCY14-1B |
50×38 |
42×30 |
|
| 160MYCY14-1B |
|
| |
泵的型号 |
进口 |
出口 |
160MYCY14-1B |
63×46 |
50×38 |
|
| |
|
B |
b |
b0 |
b1 |
D0 |
D1 |
D2 |
d |
d1 |
d2 |
H |
h |
h1 |
L |
I1 |
I2 |
I3 |
I4 |
t |
d0×h0 |
10 |
MYCY14-1B |
172 |
142 |
8 |
|
100 |
75 |
125 |
25 |
M22×1.5 |
|
282 |
127 |
|
295 |
40 |
41 |
86 |
109 |
28 |
M10×25 |
25(32) |
198 |
172 |
8 |
|
125 |
100 |
150 |
30 |
M33×2 |
|
335 |
153 |
|
362 |
52 |
54 |
104 |
134 |
32.5 |
M10×25 |
40 |
198 |
180 |
10 |
|
135 |
100 |
164 |
32 |
M39×2 |
|
344 |
168 |
|
362 |
52 |
54 |
104 |
134 |
35 |
M10×25 |
63(80) |
258 |
200 |
12 |
|
155 |
120 |
190 |
40 |
M42×2 |
|
382 |
188 |
|
440 |
60 |
62 |
122 |
157 |
42.8 |
M12×25 |
160 |
322 |
340 |
16 |
90 |
198 |
150 |
240 |
55 |
50 |
64 |
515 |
222 |
25 |
595 |
108 |
110 |
180 |
230 |
59 |
M16×35 |
|
| |
|
| |