| |
SCY型轴向柱塞泵
|
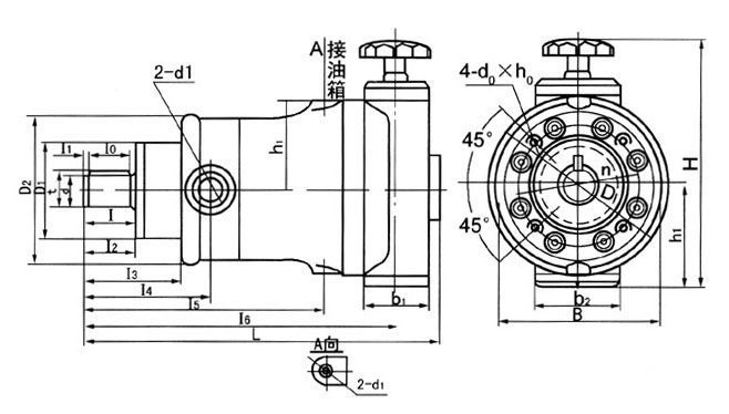
结构原理简述
SCY型轴向柱塞泵,其原理为转动手轮使变量活塞上下移动,带动变量头倾斜角变化,改变柱塞行程长短,达到变量的目的。这种变量型只适用于不频繁变量,而且不需要远距离操纵的情况下。 |
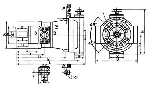
| 结构图 |
|
| 特性曲线 |
|
| 10.25(32).40.63.(80) SCY14-1B(括号内为SGY) |
|
| 160.250.(400)SCY14-1B |
推荐管道尺寸(不可逆泵使用) |
型号 |
进口 |
出口 |
回油口 |
10SCY14-1B |
22×16 |
18×13 |
10×8 |
25.(32)SCY14-1B |
34×24 |
28×20 |
10×8 |
40SCY14-1B |
42×30 |
34×24 |
12×10 |
63.(80)SCY14-1B |
50×38 |
42×30 |
12×10 |
160SCY14-1B |
63×46 |
50×38 |
18×15 |
250SCY14-1B |
75×55 |
63×46 |
18×15 |
(400)SCY14-1B |
90×66 |
75×55 |
22×18 |
|
|
型号 |
b |
b0
(N9) |
b1 |
b2 |
b3 |
D0 |
D1
(f9) |
D2 |
D3 |
d
(h6) |
d1 |
d2 |
d3 |
H |
10SCY14-1B |
142 |
8 |
50 |
88 |
|
100 |
75 |
125 |
150 |
25 |
M22×1.5 |
|
M14×1.5 |
231 |
25(32)SCY14-1B |
172 |
8 |
66 |
100 |
|
125 |
100 |
150 |
170 |
30 |
M33×2 |
|
M14×1.5 |
266 |
40SCY14-1B |
180 |
10 |
66 |
100 |
|
135 |
100 |
164 |
182 |
32 |
M39×2 |
|
M18×1.5 |
274 |
63(80)SCY14-1B |
200 |
12 |
74 |
104 |
|
155 |
120 |
190 |
225 |
40 |
M42×2 |
|
M18×1.5 |
305 |
160SCY14-1B |
340 |
16 |
100 |
120 |
90 |
198 |
150 |
240 |
300 |
55 |
50 |
64 |
M22×1.5 |
393 |
250(400)SCY14-1B |
420 |
18 |
100 |
140 |
110 |
140 |
110 |
230 |
180 |
280 |
360 |
76 |
M22×1.5 |
470 |
|
| |
型号 |
h1 |
h2 |
h3 |
L |
I |
I0 |
I1 |
I2 |
I3 |
I4 |
I5 |
I6 |
t |
d0×h0 |
10SCY14-1B |
71 |
91 |
|
295 |
40 |
30 |
4 |
41 |
86 |
109 |
194 |
258 |
28 |
M10×25深 |
25(32)SCY14-1B |
83 |
101 |
|
362 |
52 |
45 |
4 |
54 |
104 |
134 |
246 |
317 |
32.5 |
M10×25深 |
40SCY14-1B |
87 |
112 |
|
362 |
49 |
45 |
4 |
54 |
104 |
136 |
236 |
317 |
35 |
M10×25深 |
63(80)SCY14-1B |
108 |
130 |
|
440 |
60 |
50 |
4 |
62 |
122 |
157 |
300 |
389 |
42.8 |
M12×25深 |
160SCY14-1B |
141 |
165 |
25 |
595 |
106 |
100 |
4 |
110 |
180 |
230 |
411 |
533 |
59 |
M16×35深 |
250SCY14-1B |
170 |
203 |
25 |
691 |
110 |
100 |
5 |
112 |
212 |
272 |
492 |
629 |
63.9 |
M20×45深 |
400SCY14-1B |
170 |
203 |
25 |
701 |
110 |
100 |
5 |
112 |
212 |
277 |
502 |
629 |
63.9 |
M20×45深 |
|
| |